simu-link.com

Aspen Plus Projects Page 2

Aspen Plus Projects Page 2

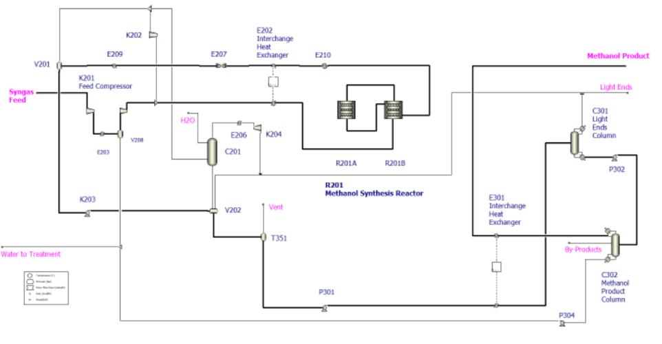
Aspen Plus Simulation of Methanol Synthesis Process
Validation of Plant Data for CO₂ Capture from Flue Gas Using MEA
Bioethanol Production from Corn Stover – Aspen Plus Model
Biogas Production Simulation for Anaerobic Digestion of Livestock Manure Using Aspen Plus
Aspen Plus Simulation of Lignocellulosic Biomass Conversion
Biomass Pyrolysis Modeling Using Aspen Plus
Integrated Aspen Plus Simulation of Lignocellulosic Biomass Conversion to Bio-Oil and Char
Implementation of User-Defined Viscosity Modeling for Heavy Petroleum Streams in Aspen Plus
Modeling External Condensation Effects in Air Coolers Using Aspen EDR
Automation of Calculator Block Parameter Modification in Aspen Plus Using VBA
Modeling Retrograde Condensation in Petroleum Gas Systems Using Aspen Plus
Integer Variable Optimization in Distillation Columns Using Aspen Plus
Multicomponent Azeotrope Analysis Using Aspen Plus Distillation Synthesis
Modeling Power Consumption of Agitated Vessels Using Aspen Plus
Calculation of Water Enthalpy Using Steam Tables Reference State in Aspen Plus
Application of Balance Blocks in Aspen Plus for Material and Energy Stream Management
Scroll to Top